|
12 ИСПЫТАНИЕ ЗАЩИТЫ ОТ ДОСТУПА К ОПАСНЫМ ЧАСТЯМ ОБОРУДОВАНИЯ, ОБОЗНАЧАЕМОЙ ПЕРВОЙ ХАРАКТЕРИСТИЧЕСКОЙ ЦИФРОЙ
12.1 Щуп доступности Щупы доступности для испытаний на защищенность человека от доступа к опасным частям приведены в таблице 6.
12.2 Условия испытаний Щуп доступности прикладывают либо (в случае испытания на первую характеристическую цифру 2) вставляют в каждое отверстие в оболочке с усилием, указанным в таблице 6. При испытании оборудования низкого напряжения необходимо, чтобы источник низкого напряжения не менее 40 В и не более 50 В, соединенный последовательно с соответствующей лампой, был включен между щупом и опасными частями внутри оболочки. Токоведущие опасные части, покрытые только лаком или краской или защищенные методом оксидирования или другим аналогичным методом, покрывают металлической фольгой, электрически связанной с частями, которые в нормальном рабочем состоянии находятся под напряжением. Метод сигнальной цепи может быть применен также для движущихся частей высоковольтного оборудования. Внутренние подвижные части оборудования могут находиться в медленном движении, если это возможно.
Таблица 6 — Щуп доступности для испытаний защиты человека от доступа к опасным частям оборудования
| Первая характеристическая цифра |
Дополнительная буква |
Щуп доступности |
Испытательное усилие |
| 1 |
А
|
Сфера диаметром 50 мм
1 - примерно 100 мм; 2 - рукоятка (электроизоляционный материал); 3 - барьер (электроизоляционный материал); 4 - твердый испытательный шар (металл); 5 - шар диаметром 50 0+0.05 мм
|
50 Н ± 10 %
|
2
|
В
|
Испытательный шарнирный палец
Все размеры указаны на рисунке 1

1 - ограничитель ( Ø 50 х 20 мм); 2 - электроизоляционный материал; 3 - испытательный шарнирный палец (металл)
|
10 Н ± 10%
|
3
|
С
|
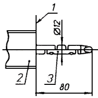
Испытательный стержень диаметром 2,5 мм и длиной 100 мм

1 - шар диаметром (35±0,2) мм; 2 - примерно 100 мм; 3 - рукоятка (электроизоляционный материал); 4 - ограничитель (электроизоляционный материал); 5 - жесткий испытательный стержень; 6 - гладкий торец
|
3H± 10 %
|
4, 5, 6
|
D
|
Испытательная проволока диаметром 1,0 мм и длиной 100 мм

1 - шар диаметром (35±0, 2) мм; 2 - примерно 100 мм; 3 - рукоятка (электроизоляционный материал); 4 - ограничитель (электроизоляционный материал); 5 - жесткий испытательный стержень; 6 - гладкий торец
|
1 Н ± 10 %
|
12.3 Оценка результатов испытаний Защита считается удовлетворительной, если остается достаточный промежуток между щупом доступности и опасными частями. При испытании защиты, обозначаемой первой характеристической цифрой 1, щуп доступности диаметром 50 мм не должен полностью проникать через отверстие. При испытании для первой характеристической цифры 2 испытательный шарнирный палец может проникать на длину 80 мм, однако через отверстие не должен проникать ограничитель (Ø 50 x 20 мм). После первоначального прямого положения оба шарнира испытательного пальца должны быть последовательно повернуты на угол 90° с осью нешарнирного участка пальца и щуп должен быть помещен в любое возможное положение. Дополнительные указания приведены в приложении А. Достаточный промежуток означает:
12.3.1 Для оборудования низкого напряжения (номинальное напряжение не выше 1000 В переменного тока и 1500 В постоянного тока): Щуп доступности не должен касаться токоведущих опасных частей. При проверке достаточности промежутка с помощью сигнальной цепи между щупом и опасными частями лампа не должна загораться. П р и м е ч а н и е — Следует обратить внимание соответствующих технических комитетов на то, что для некоторых видов оборудования максимальное напряжение, возникающее внутри оборудования (эффективное значение переменного напряжения либо значение постоянного напряжения), выше номинального значения для данного оборудования. Необходимо учитывать это максимальное напряжение при определении испытательного напряжения электрической изоляции и достаточного промежутка.
12.3.2 Для оборудования высокого напряжения (номинальное напряжение выше 1000 В переменного тока и 1500 В постоянного тока): Оборудование должно удовлетворять требованиям по электрической прочности изоляции, устанавливаемым в стандартах на конкретные виды изделий, когда испытательный щуп находится в наиболее неблагоприятном(ых) положении(ях). Проверка может быть выполнена либо путем контроля электрической прочности изоляции, либо путем контроля нормированного значения воздушного промежутка, причем этот последний контроль должен гарантировать, что контроль электрической прочности даст удовлетворительные результаты при наиболее неблагоприятной конфигурации электрического поля [см. МЭК 71-21)].
1) МЭК 71-2:1976 Согласование изоляции. Часть вторая: Справочное руководство по применению.
Для оболочек, содержащих части при равном уровне напряжений, для каждой части должны быть созданы условия для проверки соответствующего достаточного промежутка. П р и м е ч а н и е — Следует обратить внимание соответствующих технических комитетов на то, что для некоторых видов оборудования максимальное напряжение, возникающее внутри оборудования (эффективное значение переменного напряжения либо значение постоянного напряжения), выше номинального значения для данного оборудования. Необходимо учитывать это максимальное напряжение при определении испытательного напряжения электрической изоляции и достаточного промежутка.
12.3.3 Для оборудования, имеющего опасные механические части, щуп доступности не должен касаться опасных механических частей. При проверке достаточности промежутка с помощью сигнальной цепи между щупом и опасными частями лампа не должна загораться.
|